F260/BTL260-A

可以与主流制造商的无限校正物镜自由搭配使用,包括干式、油浸式和生理学显微镜物镜,以实现多种放大倍率需求。所有镜头全部镀有AR增透膜且都是衍射极限的高质量成像。
价格: 请联系我们

无限校正管镜设计可以与主流制造商的无限校正物镜搭配使用,包括干式、油浸式和生理学显微镜物镜。专为高分辨率成像、生物医学、机器视觉和激光扫描应用而设计。这些镜头可以成对出现以形成中继系统,与不同焦距的无限远物镜自由搭配,结合工业相机或科研级相机以实现多种放大倍率需求。可以直接作为现有光学系统中Tube管镜的替代品使用,结合分光系统达到扩展光路的目的,例如用于自制的多光路荧光显微系统、基因测序光机系统、生物荧光显微镜等中以生成高质量的荧光图像。所有Tube镜头全部镀有AR增透膜且都是衍射极限的高质量成像。

镜头说明:

有效焦距:f=260mm

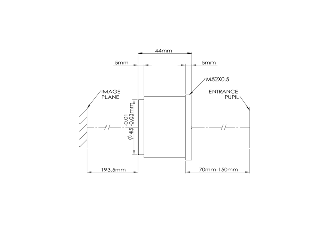
镜头接口:M52×0.5

工作距离:193.5mm

工作波段:380-750nm

匹配CCD尺寸:最大可兼容35mm相机,可向下兼容1.1寸等

渐晕:全视场无渐晕

放大倍率:与不同焦距物镜搭配,实现不同的倍率选择

成像质量:全视场衍射极限

更多使用方法,可参考链接:无限远矫正管镜(Tube)与激光扫描镜种类及如何使用?



TOP